比較資料
カートへ入れる
比較表
作成する
カート
空にする

GRPロックボルトシステム「パワースレッド」

2022/05/12 更新
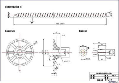
  • パワースレッド
  • パワースレッドの構成

NETIS登録番号:CB-090005-VE(旧登録)

概要

脱スチールを実現した高強度樹脂製ロックボルト

お問い合わせ
お気に入りに登録
カートへ入れる

新規性

・従来技術で使用していた棒鋼ロックボルトをガラス繊維強化プラスチックとした。
・ナット、プレート部もボルト本体と同様ガラス繊維強化プラスチックとして脱スチール化を実現した。

期待される効果

・従来のねじり棒鋼ロックボルトと同等以上の耐力(母材300kN以上、ネジ部180kN以上)を有している。
・酸性土壌においても腐食しない、錆びない素材であるため長期にわたって性能を維持できる。
・重量がねじり棒鋼ロックボルトの約26%と軽量であるため、作業性、作業安全性が向上する。
(ねじり棒鋼ロックボルト:3.5kg/m、パワースレッド0.9kg/m)
・ねじり棒鋼ロックボルトと比較して断面あたり¥1,050安価となる。
(ねじり棒鋼ロックボルト¥46,050/15本・断面、パワースレッド¥45,000/15本・断面)
・軽量であるため輸送コストが低減できる。
・ボルト1本あたりのCO2原単位が棒鋼ロックボルトより60%低減でき、環境負荷が小さい。
(L=4mの場合、パワースレッドのCO2原単位6.7kg-CO2、ねじり棒鋼ロックボルトTD24のCO2原単位16.8kg-CO2)

適用条件

① 自然条件
・特に制約はない。
② 現場条件
1)トンネル種類
・一般的な2車線道路断面や鉄道トンネル、水路トンネルで特に制約はない。
2)使用機械、作業員
・油圧削岩機で施工が可能。
・特殊作業員は不要。
3)施工場所
・特に制約はない。
③ 技術提供可能地域
・特に制約はない。
④ 関係法令等
・特に制約はない。

使用する機械・工具

  • 油圧削岩機

施工事例・施工実績

施工手順

会社情報

会社名
(株)カテックス
TEL
052-331-8010
企業情報
公式サイト

このカテゴリーでよく比較される工法

!

エラーが発生しました。

次のいずれかの理由が考えられます。

比較可能な数量を超えたため
カートに追加できませんでした。
比較できる点数は20点までです。
「工種・工法」と「資材」を同時に
比較することはできません。
カート内を整理してご利用ください。
2点以上をカートに追加してください。
カート内容を確認する カート
空にする
!

カートへの追加
ありがとうございます。

会員登録をすれば、
カートに入れた製品の
比較表のダウンロードができます。

会員の方はこちら(ログイン) 新規会員登録
!

お気に入り登録
ありがとうございます。

会員登録をすれば、マイページより
いつでもお気に入り登録した商品を
見返すことができます。

会員の方はこちら(ログイン) 新規会員登録