比較資料
カートへ入れる
比較表
作成する
カート
空にする

土壌改良材DWファイバー

2019/04/16 更新
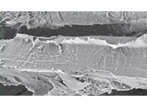
  • 製品姿
  • 通常の解繊処理した繊維
  • 特殊処理したDWファイバー

NETIS登録番号:KT-170110-A

概要

特殊解繊加工した木質繊維を土壌に混合することで保水性・透水性等を改善する材料

お問い合わせ
お気に入りに登録
カートへ入れる

新規性

・無機質資材(パーライト等)の使用から特殊な解繊技術によって繊維化した有機質資材に変えた。

期待される効果

特殊な解繊技術によって繊維化した有機質資材に変えたことにより、以下の効果が期待できる。
・保水性・透水性が改善され、品質の向上が図られる。
・製材時に発生する端材(未利用木材)を利用するので、環境負荷を低減できる。
・製材時に発生する端材(未利用木材)を原料とすることで資材単価が低減でき、経済性の向上が図られる。

適用条件

① 自然条件
以下の条件の時は施工を中止する。
・大雨や強風時などの悪天候時には施工は行わないこと。
・氷点下時(0℃以下)には、資材が凍結するため施工は行わないこと。
② 現場条件
・作業スペースとして、5m×5m=25m2が必要であること。
(作業ヤードはバックホウを中心に半径5m程度)
・ストックヤードとして、資材10m3当り4×3m=12m2程度が確保できること。
・資材運搬が可能であること。
・荷姿は、フレコン(1m3)となり、荷降ろしの際は機材が必要。
③ 技術提供可能地域
・制限なし。
④ 関係法令等
・特になし。

使用する機械・工具

  • バックホウ

施工事例・施工実績

施工手順

会社情報

会社名
サンスイ・ナビコ(株)
TEL
03-5623-3600
企業情報
公式サイト

特集

このカテゴリーでよく比較される工法

!

エラーが発生しました。

次のいずれかの理由が考えられます。

比較可能な数量を超えたため
カートに追加できませんでした。
比較できる点数は20点までです。
「工種・工法」と「資材」を同時に
比較することはできません。
カート内を整理してご利用ください。
2点以上をカートに追加してください。
カート内容を確認する カート
空にする
!

カートへの追加
ありがとうございます。

会員登録をすれば、
カートに入れた製品の
比較表のダウンロードができます。

会員の方はこちら(ログイン) 新規会員登録
!

お気に入り登録
ありがとうございます。

会員登録をすれば、マイページより
いつでもお気に入り登録した商品を
見返すことができます。

会員の方はこちら(ログイン) 新規会員登録