比較資料
カートへ入れる
比較表
作成する
カート
空にする

橋梁用伸縮装置検証用データ①【建設物価掲載品】8/7更新

2025/08/07 更新
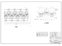
  • 単体イメージ
  • 断面図
  • 施工後イメージ

NETIS登録番号:KT-240147-A

概要

概要1行目
概要2行目
概要3行目
概要4行目
概要5行目

youtubeを見る お問い合わせ
お気に入りに登録
カートへ入れる

公的評価番号等

特許番号:0000000000000

提供可能地域

北海道 東北 関東 北陸 中部 近畿 中国 四国 九州 沖縄
型番 質量
(kg/1.8m)
伸縮量
常時性能
橋軸方向
(mm)
伸縮量
常時性能
橋軸直角方向
(mm)
許容移動量
地震時性能
橋軸方向
(mm)
許容移動量
地震時性能
橋軸直角方向
(mm)
標準遊間
中立温度時
(mm)
最大床版遊間
最低温度時
(mm)
対応可能斜角
(°)
建設物価
(品目コード)
土木コスト
(掲載ページ)
DFH-125 494.0 +162.5/-162.5 +162.5/-162.5 +162.5/-162.5 +162.5/-162.5 265.5 319.0 45.0
DFH-150 512.0 +162.5/-162.5 +162.5/-162.5 +162.5/-162.5 +162.5/-162.5 294.0 369.0 45.0
DFH-175 548.0 +162.5/-162.5 +162.5/-162.5 +162.5/-162.5 +162.5/-162.5 331.5 419.0 45.0
DFH-200 525.0 +162.5/-162.5 +162.5/-162.5 +162.5/-162.5 +162.5/-162.5 269.0 369.0 45.0
DFH-220 508.0 +162.5/-162.5 +162.5/-162.5 +162.5/-162.5 +162.5/-162.5 269.0 379.0 45.0
DFH-125SRFS 555.0 +162.5/-162.5 +162.5/-162.5 +162.5/-162.5 +162.5/-162.5 265.5 319.0 45.0
DFH-150SRFS 573.0 +162.5/-162.5 +162.5/-162.5 +162.5/-162.5 +162.5/-162.5 294.0 369.0 45.0
DFH-175SRFS 609.0 +162.5/-162.5 +162.5/-162.5 +162.5/-162.5 +162.5/-162.5 331.5 419.0 45.0
DFH-200SRFS 586.0 +162.5/-162.5 +162.5/-162.5 +162.5/-162.5 +162.5/-162.5 269.0 369.0 45.0
DFH-220SRFS 569.0 +162.5/-162.5 +162.5/-162.5 +162.5/-162.5 +162.5/-162.5 269.0 379.0 45.0
DFH-125SRFD 616.0 +162.5/-162.5 +162.5/-162.5 +162.5/-162.5 +162.5/-162.5 265.5 319.0 45.0
DFH-150SRFD 634.0 +162.5/-162.5 +162.5/-162.5 +162.5/-162.5 +162.5/-162.5 294.0 369.0 45.0
DFH-175SRFD 670.0 +162.5/-162.5 +162.5/-162.5 +162.5/-162.5 +162.5/-162.5 331.5 419.0 45.0
DFH-200SRFD 647.0 +162.5/-162.5 +162.5/-162.5 +162.5/-162.5 +162.5/-162.5 269.0 369.0 45.0
DFH-220SRFD 630.0 +162.5/-162.5 +162.5/-162.5 +162.5/-162.5 +162.5/-162.5 269.0 379.0 45.0
準拠している仕様
NEXCO 首都高速道路 阪神高速道路 福岡北九州高速道路 名古屋高速道路 東北地方整備局 北海道開発局 石川県
設置区分
車道用 歩道用 縦目地
タイプ
荷重支持型 突合せ型 埋設型
装備
積雪地対応 二次止水 地覆止水
適用
コンクリート橋用 鋼橋用 鋼床版用
構造性
構造性1行目
構造性2行目
構造性3行目
構造性4行目
構造性5行目
耐久性
耐久性1行目
耐久性2行目
耐久性3行目
耐久性4行目
耐久性5行目
走行性
走行性1行目
走行性2行目
走行性3行目
走行性4行目
走行性5行目
止水性
止水性1行目
止水性2行目
止水性3行目
止水性4行目
止水性5行目
環境性(騒音)
環境(騒音)性1行目
環境(騒音)性2行目
環境(騒音)性3行目
環境(騒音)性4行目
環境(騒音)性5行目
施工性
施工性1行目
施工性2行目
施工性3行目
施工性4行目
施工性5行目
維持管理性
維持管理性1行目
維持管理性2行目
維持管理性3行目
維持管理性4行目
維持管理性5行目
推定耐用年数(参考値)
30年相当
経済性(初期コスト)
お問い合わせください。
経済性(LCC)
お問い合わせください。

会社情報

会社名
建設MiL(株)
TEL
03-5649-8581
企業情報
公式サイト

このカテゴリーでよく比較される資材

!

エラーが発生しました。

次のいずれかの理由が考えられます。

比較可能な数量を超えたため
カートに追加できませんでした。
比較できる点数は20点までです。
「工種・工法」と「資材」を同時に
比較することはできません。
カート内を整理してご利用ください。
2点以上をカートに追加してください。
カート内容を確認する カート
空にする
!

カートへの追加
ありがとうございます。

会員登録をすれば、
カートに入れた製品の
比較表のダウンロードができます。

会員の方はこちら(ログイン) 新規会員登録
!

お気に入り登録
ありがとうございます。

会員登録をすれば、マイページより
いつでもお気に入り登録した商品を
見返すことができます。

会員の方はこちら(ログイン) 新規会員登録